Ошибки при подключении: предупреждает производитель трансформаторного оборудования
По словам инженера-технолога ООО «Электрощит-КО» Павла Алленова, в последнее время всё чаще встречаются случаи неправильного подключения трансформатора со стороны вторичных обмоток.
Особое внимание, по мнению специалиста, следует уделить заземляемым трансформаторам напряжения, которые выполняются с неполной изоляцией по ГОСТ 1983 (п.6.12.1) и согласно руководству по эксплуатации требуют обязательного заземления вывода X. Игнорирование этого требования приводит к опасному перераспределению высокого напряжения – вместо предусмотренных конструкцией путей оно попадает на магнитопровод или измерительную обмотку, что неизбежно вызывает повреждение оборудования.
«Если мы подключаем трансформатор напряжения с неполной изоляцией, вывод Х должен быть подключен к земле. Если это условие игнорируется, то при подаче напряжения с высокой стороны этот вывод «висит» в воздухе. Вот он и попадает либо на сердечник трансформатора, либо на измерительную вторичную обмотку. В итоге трансформатор приходит в негодность», – разъясняет Павел Алленов.
Обратить внимание на пренебрежение правилами подключения трансформаторов заставил случай на одном из объектов, где проводились пусконаладочные работы на трансформаторах напряжения внутреннего исполнения на 10 кВ. При проведении испытаний электрической прочности изоляции к испытуемым объектам прикладывалось высокое напряжение (38.8 кВ) без заземления вывода X. Почти все трансформаторы, которые должны были устанавливаться на объекте, в итоге были повреждены и их пришлось перезаказывать на заводе-изготовителе.
Другой иллюстрацией данной ошибки стала ситуация на объекте, где собранные три трансформатора напряжения уличного исполнения на 35 кВ вышли из строя в первый месяц работы после включения в сеть. Собрав и детально изучив данные, специалисты выявили критическую ошибку в схеме подключения: вторичная цепь по земляному контуру была замкнута, что вызвало перегрев обмотки трансформаторов и, как следствие, короткое замыкание.
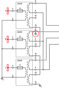
Ошибка вскрылась, когда проводили обследование схемы подключения трехфазного счетчика электроэнергии, располагавшегося в технологическом помещении на некотором расстоянии от трансформаторов. Принцип работы счетчика основан на перемножении мгновенных значений измеряемых величин – напряжения и тока, с последующим интегрированием полученной мощности и фиксацией результатов измерений. Анализ схемы соединений показал, что на стороне счетчика выводы «x» вторичных обмоток всех трех фаз соединены в общую точку, и эта точка гальванически соединена с выводами концов обмоток и трансформаторов тока, которые в свою очередь заземлены согласно ПУЭ 3.4.23, рис.1.
.png)
Рис.1. Схема подключения счетчика к трехфазной сети с помощью трех трансформаторов напряжения и трех трансформаторов напряжения.
На стороне трансформаторов напряжения фаза B имела заземление со стороны начала обмотки. Это создало замкнутый контур с сопротивлением в несколько Ом, что при номинальном вторичном напряжении 57В привело к протеканию тока, намного превышающего допустимое значение – это и спровоцировало термическое разрушение обмоток.
.png)
Рис.2. Пример схемы с заземлением со стороны начала обмотки фазы В.
«Для трансформатора это огромная нагрузка, намного превышающая номинальную, при которой перегрев и выход оборудования из строя был неизбежен. Ошибка заключалась в неверном выборе схемы подключения: схема с заземлением начала обмотки фазы B не имела технического обоснования для данной конкретной схемы измерений», – подчеркивает эксперт.
Рассматриваемая схема с заземлением начала обмотки фазы B действительно имеет право на существование в определенных условиях. Такая конфигурация позволяет обнаруживать фазные замыкания – видеть, где именно фаза ушла на землю, либо на фазу. В такой схеме используются три однофазных трансформатора напряжения, подключенных по схеме «фаза-земля», их дополнительная обмотка соединяется в разомкнутый треугольник, устанавливается релейная защита с сигнализацией. В нормальном режиме работы векторная сумма напряжений в этой схеме равна нулю. Если происходит замыкание (фаза на фазу, фаза на землю) напряжение ноль превращается в 100 В и срабатывает сигнализация.
«Таким образом оперативный персонал может удаленно увидеть, что на линии возникла проблема. Но что именно вышло из строя – фаза А, В, С – будет неясно. Для этого применяются другие схемы. Но не в случае, когда к измерительной обмотке подключается только счетчик. Там это заземление просто не нужно», – подчеркивает Павел Алленов.
Экспертам приходится констатировать: таких случаев некорректного выбора схем становится больше. О чём это может свидетельствовать? Как минимум, о том, что пора освежить в памяти базовые принципы подключения трансформаторов напряжения. Как отмечает Павел Алленов, они остаются неизменными десятилетиями, несмотря на модернизацию вторичного оборудования. Поэтому изучение и понимание принципов работы классических схем и требований нормативных документов сохраняет свою актуальность для всех специалистов, которые занимаются эксплуатацией электроустановок.
Ошибки при монтаже: предупреждает производитель электрощитового оборудования
По словам руководителя ОТК и сервиса ООО «Челябинский завод электрооборудования» Андрея Банина, при монтаже измерительного трансформатора тока чаще всего допускаются две ошибки: разомкнутая вторичная обмотка и неправильная ориентация Л1/Л2.
«Вторичная обмотка трансформатора тока всегда должна оставаться замкнутой при включенной первичной обмотке. Данное требование регламентировано пунктом 3.4.16 Правил устройства электроустановок (ПУЭ, 7-е издание). Нарушение этого правила приводит к появлению на выводах разомкнутой обмотки опасного высокого напряжения, что создает угрозу поражения персонала электрическим током», – напоминает специалист ЧЗЭО.
Особое внимание стоит уделить направлению выводов первичной обмотки. Большинство трансформаторов тока имеют обозначение лицевой стороны (Л1 или L1) и нагрузки (Л2 или L2), где Л1 – начало (вход тока) первичной обмотки ТТ, Л2 – конец (выход тока) первичной обмотки ТТ. Соответствующие выводы вторичной обмотки маркируются как И1 (начало) и И2 (конец).
Среди других ошибок можно отметить:
«Перед монтажом необходимо проверить оборудование на соответствие проекту: класс точности, коэффициент трансформации (Ktt), номинальный ток и нагрузочную способность (Sном). Затем произвести внешний осмотр: убедиться, что на корпусе нет никаких сколов, трещин, что все контакты затянуты, а вторичная обмотка не оставлена разомкнутой. Далее специалисты прозванивают вторичные обмотки – проверяют их целостность, отсутствие короткого замыкания между ними и на корпус», – отмечает Андрей Банин.
По словам специалиста, зная «подводные камни» при монтаже и подключении трансформаторов тока, можно избежать многих сложностей и необратимых последствий. Однако доверять шеф-монтаж и пуско-наладку стоит только высококвалифицированным специалистам, которые обладают не только необходимыми знаниями, но также имеют большой практический опыт и «насмотренность».
P.S. Статья подготовлена Челябинский заводом электрооборудования (ЧЗЭО) при содействии экспертов ООО «Электрощит КО». Компания «Электрощит КО» выступает партнёром ЧЗЭО по реализации программы «пожизненной» гарантии на КРУ Elion. Участникам программы предоставляется гарантия сроком в 25 лет, то есть безаварийная эксплуатация комплектного распределительного устройства в течение всего срока его службы. Подробности на сайте.
Опубликовано: 08 сентября 2025, 07:20